|
Stage |
Key Stage |
Subjects |
Title |
|
Secondary |
KS4 |
Engineering Diploma |
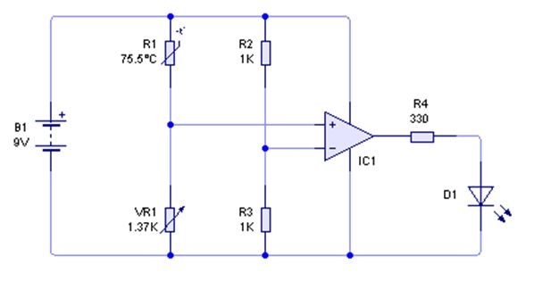
BLOODHOUND SSC Systems and Control |
Build a control system to help the driver of BLOODHOUND SSC operate the rocket motor and pump.
This is a series of lesson ideas which also suggest using crocodile clips or similar simulation software.
Download:
Bloodhound_KS4_Systems_and_control (Word format - 117kb)

